TOA BS-P1030B-AS – Loa hộp

Liên hệ
Tính năng nổi bật
  • Thùng loa: Loại phản xạ bass 2 chiều
  • Nguồn điện: 24 V DC, 1.5 A (Ổ cắm DC "+" Loại A: 5.5 x 2.1mm)
  • Công suất tiêu thụ: 24 W (1A) tại đầu ra định mức
  • Đầu vào: 5 kΩ, không cân bằng (phích RCA)
  • Đầu vào tối đa: +6 dB V ( 2 Vrms)

Giới thiệu TOA BS-P1030B-AS

Loa hộp TOA BS-P1030B-AS
Loa hộp TOA BS-P1030B-AS

TOA BS-P1030B-AS là loa phản xạ âm trầm 2 chiều được tích hợp bộ khuếch đại công suất kỹ thuật số 30W, thích hợp sử dụng để thông báo và phát nhạc. Cấu trúc chống tia nước của loa cho phép lắp đặt dưới mái hiên nơi loa không tiếp xúc trực tiếp với mưa.

Thông số kỹ thuật TOA BS-P1030B-AS

thông số kỹ thuật loa hộp toa bs-p1030b-as
Thông số kỹ thuật Loa hộp TOA BS-P1030B-AS
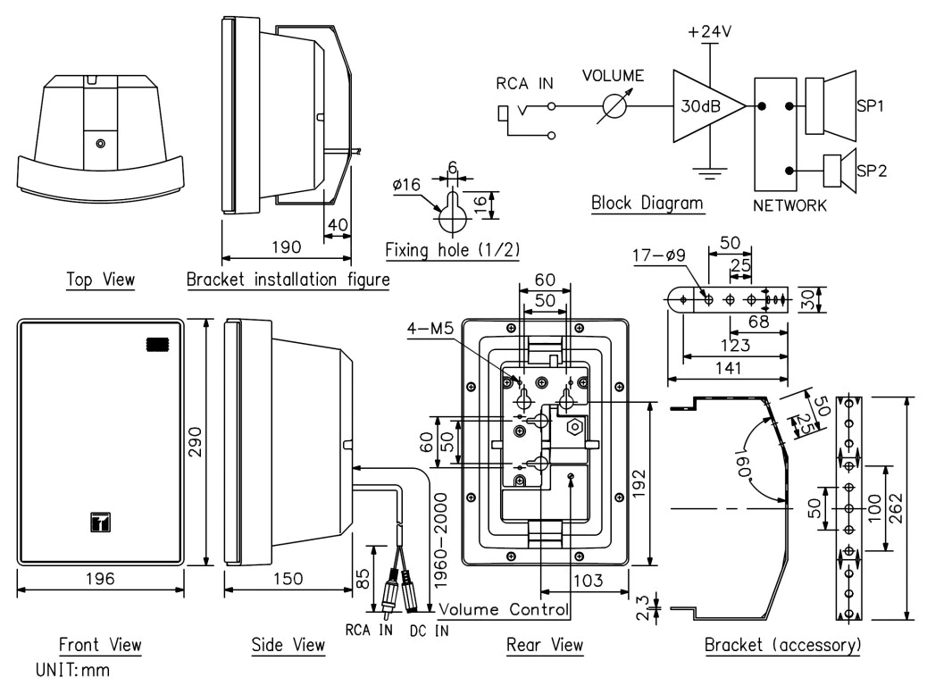
Thùng loa Loại phản xạ bass 2 chiều
Nguồn điện 24 V DC, 1.5 A (Ổ cắm DC “+” Loại A: 5.5 x 2.1mm)
Công suất tiêu thụ 24 W (1A) tại đầu ra định mức
Đầu vào
  • 5 kΩ, không cân bằng (phích RCA)
  • Đầu vào tối đa: +6 dB V ( 2 Vrms)
Tăng tín hiệu +30 dB
Điều khiển âm thanh Điều khiển âm lượng (Nhà máy đặt trước ở vị trí giữa)
Mức áp suất âm thanh 90 dB (1 W, 1 m)
Đáp tuyến tần số 80 Hz – 20 kHz
Bộ phận Loa 12 cm kiểu nón + kiểu vòm
Dây Loa Độ dài: 2m (phích RCA) & ổ DC (“+”)
Nhiệt độ hoạt động -10 ℃ to +50 ℃
Chống nước IPX4 (có thể cài đặt theo chiều dọc hoặc chiều ngang.*)
Vật liệu
  • Thùng loa: nhựa ABS, màu đen (RAL9011 GRAPHITE BLACK), sơn
  • Lưới:Bề mặt thép được xử lý, màu đen (RAL9011 GRAPHITE BLACK), sơn tĩnh điện
  • Giá đỡ: Tấm thép được xử lý bề mặt, màu đen tương đương với RAL9011 GRAPHITE BLACK, sơn tĩnh điện
Kích thước 196 (R) × 290 (C) × 150 (S) mm
Trọng lượng 2.5 kg
Phụ kiện đi kèm Giá đỡ khung ….1, Ốc gắn giá đỡ ….2, Gioăng đệm cho ốc vít ….2
Phụ kiện tùy chọn
  • Giá đỡ phù hợp: SP-410
  • Chân đế phù hợp: ST-16A

>>Tài liệu Datasheet

>> Liên hệ để được tư vấn và mua TOA BS-P1030B-AS

CÔNG TY TNHH CUNG ỨNG NGỌC THIÊN

Điện thoại: 028 777 98 999

Hotline/Zalo: 028 777 98 999

Email: info@vnsup.com

Thương hiệu

Toa

Đánh giá sản phẩm

Đánh giá

Chưa có đánh giá nào.

Hãy là người đầu tiên nhận xét “TOA BS-P1030B-AS – Loa hộp”