Chính sách sản phẩm
TOA TP-M15E – Loa Chống Cháy Nổ
Liên hệ
Tính năng nổi bật
- Công suất 15W
- Chống cháy nổ theo tiêu chuẩn eG4 (tăng độ an toàn)
- Vành nhôm
- Đáp ứng tần số cao
![]()
Loa chống cháy nổ TP-M15E đem lại sự an toàn khi vận hành điện, xây dựng cơ khí và nhiệt độ cao, ngăn chặn các thiết bị điện không tạo ra các tia lửa điện hoặc nhiệt có thể gây cháy nổ trong điều kiện sử dụng bình thường.
- Chống cháy nổ theo tiêu chuẩn eG4 (tăng độ an toàn)
- Vành nhôm
- Đáp ứng tần số cao
- Mức áp suất âm thanh cao
- Cung cấp giá treo đi kèm dễ dàng để cài đặt
Thông số kĩ thuật

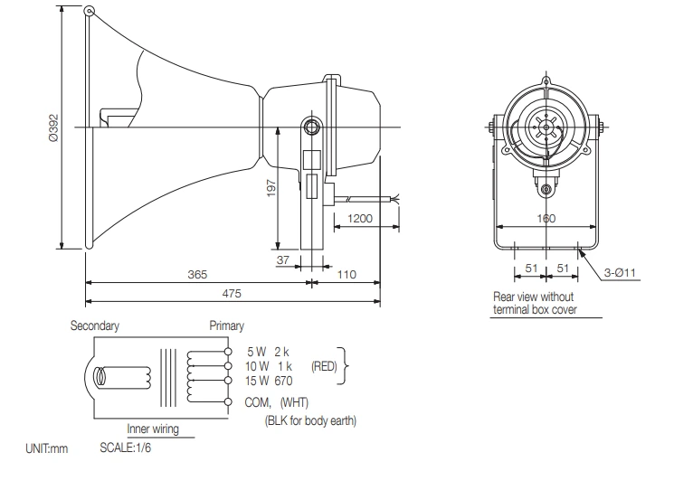
| Công suất | 15 W |
| Trở kháng | 670 Ω (15 W), 1 kΩ (10 W), 2 kΩ (5 W) |
| Đáp tuyến tần số | 300 Hz – 5.5 kHz |
| Độ nhạy | 104 dB (1 W, 1 m) |
| Chủng loại | eG4 (tăng an toàn cho thiết bị chống cháy nổ) |
| Điều kiện môi trường tiêu chuẩn |
|
| Vật liệu |
|
| Kích thước | φ392 × 475 (D) mm |
| Khối lượng | 4.9 kg |
Tài liệu tham khảo: Thông số kĩ thuật Loa Chống Cháy Nổ TOA TP-M15E
***
So sánh giữa Loa chống cháy nổ TP-M15D và Loa chống cháy nổ TP-M15E
| TP-M15D | TP-M15E | |
| Tần số đáp ứng | 350 Hz – 4.5 kHz | 300 Hz – 5.5 kHz |
| Độ nhạy (1 W, 1 m) | 104 dB | 104 dB |
| Công suất vào (trở kháng cao) | 15 W | 15 W |
| Trở kháng định mức | 100V LINE: 670Ω (15W), 1kΩ (10W), 2kΩ (5W) | 100V LINE: 670Ω (15W), 1kΩ (10W), 2kΩ (5W) |
| Độ ẩm hoạt động | 45 – 85 % | 45 – 85 % |
| Nhiệt độ hoạt động | -20°C to +40°C | -20°C to +40°C |
| Màu sắc | xám lụa (RAL7044 hoặc tương đương), nâu đậm | xám lụa (RAL7044 hoặc tương đương), nâu đậm |
| Kích thước | 242 x 368 mm (Ø x D) | 392 x 475 mm (Ø x D) |
| Trọng lượng | 4.3 kg | 4.9 kg |











