TP-M15D – Loa chống cháy nổ 15W
Liên hệ
- Chống cháy nổ theo tiêu chuẩn eG4 (tăng độ an toàn)
- Vành nhôm
- Đáp ứng tần số cao
- Mức áp suất âm thanh cao
- Cung cấp giá treo đi kèm dễ dàng để cài đặt
Mô tả

Loa chống cháy nổ TP-M15D đem lại sự an toàn khi vận hành điện, xây dựng cơ khí và nhiệt độ cao, báo động để ngăn chặn các thiết bị điện không tạo ra các tia lửa điện hoặc nhiệt có thể gây cháy nổ trong điều kiện sử dụng bình thường.
- Chống cháy nổ theo tiêu chuẩn eG4 (tăng độ an toàn)
- Vành nhôm
- Đáp ứng tần số cao
- Mức áp suất âm thanh cao
- Cung cấp giá treo đi kèm dễ dàng để cài đặt
Thông số kĩ thuật

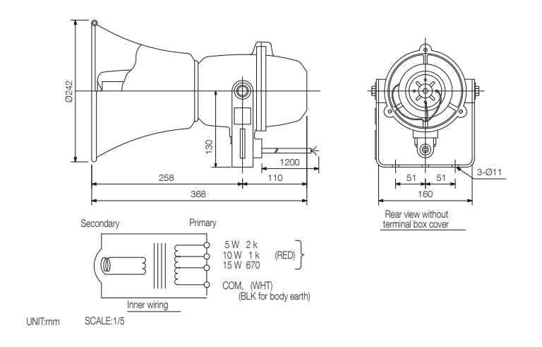
| Công suất | 15 W |
| Trở kháng định mức | 670 Ω (15 W), 1 kΩ (10 W), 2 kΩ (5 W) |
| Đáp tuyến tần số | 350 Hz – 4.5 kHz |
| Độ nhạy | 104 dB (1 W, 1 m) |
| Chủng loại | eG4 (Tăng sự an toàn cho thiết bị chống cháy nổ) |
| Điều kiện môi trường tiêu chuẩn | Nhiệt độ: -20 ℃ to +40 ℃
Độ cao: 1 km or less Độ ẩm: 45 % to 85 % Khác: Bụi, khí ăn mòn và rung lắc mạnh |
| Chất liệu | Loa: Màu trắng đục
Phần khác: Màu nâu đậm Vật liệu khung: Bề mặt thép được mạ kẽm (SECC, t3.2) |
| Kích thước | φ242 × 368 (D) mm |
| Trọng lượng | 4.3 kg |
Tài liệu tham khảo: Thông số kĩ thuật Loa Chống Cháy Nổ TOA TP-M15D
***
So sánh giữa Loa chống cháy nổ TP-M15D và Loa chống cháy nổ TP-M15E
| TP-M15D | TP-M15E | |
| Tần số đáp ứng | 350 Hz – 4.5 kHz | 300 Hz – 5.5 kHz |
| Độ nhạy (1 W, 1 m) | 104 dB | 104 dB |
| Công suất vào (trở kháng cao) | 15 W | 15 W |
| Trở kháng định mức | 100V LINE: 670Ω (15W), 1kΩ (10W), 2kΩ (5W) | 100V LINE: 670Ω (15W), 1kΩ (10W), 2kΩ (5W) |
| Độ ẩm hoạt động | 45 – 85 % | 45 – 85 % |
| Nhiệt độ hoạt động | -20°C to +40°C | -20°C to +40°C |
| Màu sắc | xám lụa (RAL7044 hoặc tương đương), nâu đậm | xám lụa (RAL7044 hoặc tương đương), nâu đậm |
| Kích thước | 242 x 368 mm (Ø x D) | 392 x 475 mm (Ø x D) |
| Trọng lượng | 4.3 kg | 4.9 kg |
Thuộc Tính
Thông tin bổ sung
Thông số kỹ thuật của TP-M15D – Loa chống cháy nổ 15W
| Công suất | 15 W |
| Trở kháng định mức | 670 Ω (15 W), 1 kΩ (10 W), 2 kΩ (5 W) |
| Đáp tuyến tần số | 350 Hz - 4.5 kHz |
| Độ nhậy | 104 dB (1 W, 1 m) |
| Chủng loại | eG4 (Tăng sự an toàn cho thiết bị chống cháy nổ) |
| Điều kiện môi trường tiêu chuẩn | Nhiệt độ: -20 ℃ to +40 ℃ Độ cao: 1 km or less Độ ẩm: 45 % to 85 % Khác: Bụi, khí ăn mòn và rung lắc mạnh |
| Chất liệu | Loa: Màu trắng đục Phần khác: Màu nâu đậm Vật liệu khung: Bề mặt thép được mạ kẽm (SECC, t3.2) |
| Kích thước | φ242 × 368 (D) mm |
| Trọng lượng | 4.3 kg |






