CA-160 – Bộ khuếch đại xe hơi

Liên hệ
Tính năng nổi bật
  • Tăng âm cơ động TOA CA-160 dễ dàng lắp đặt với nguồn ắc quy 12V trên ô tô
  • Cấu trúc máy gọn nhẹ, chắc chắn, có bảng điều chỉnh ở phía trước mặt
  • Có 2 ngõ vào Micro và 1 đầu vào AUX thuận lợi cho kết nối với máy ghi âm, radio…
  • Micro điện động đơn hướng với công tác bấm nói đi kèm
  • Có 1 ngõ vào cho micro và 1 khối cassette
Mã hàng: TOA CA-160 / Bảo hành: 24 tháng / Xuất xứ: Indonesia

CA-160 là bộ khuếch đại xe hơi 60 W có kích thước 1 DIN được thiết kế để sử dụng với pin 12 V của xe ô tô.

Bộ khuếch đại xe hơi CA-160

Tính năng sản phẩm: Tăng âm cơ động TOA CA-160

  • Tăng âm cơ động TOA CA-160 dễ dàng lắp đặt với nguồn ắc quy 12V trên ô tô
  • Cấu trúc máy gọn nhẹ, chắc chắn, có bảng điều chỉnh ở phía trước mặt
  • Có 2 ngõ vào Micro và 1 đầu vào AUX thuận lợi cho kết nối với máy ghi âm, radio… (CA-115/CA-130/CA/160).
  • Micro điện động đơn hướng với công tác bấm nói đi kèm
  • Có 1 ngõ vào cho micro và 1 khối cassette (CA-107/CA-207/CA-407)

Thông số kỹ thuật

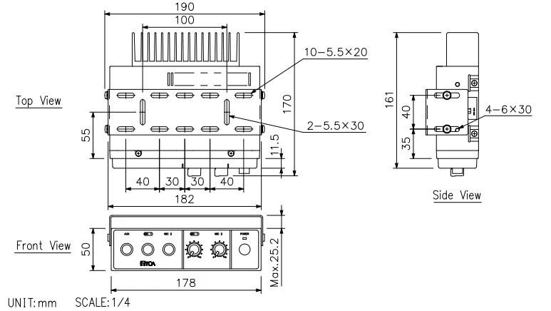
MẶT SAU CA-160MẶT TRÊN, MẶT BÊN, MẶT TRƯỚC CA-160

Nguồn điện
  • Điện áp tiêu chuẩn: 14 V DC
  • Điện áp cho phép: 10 – 16 V DC (có thể sử dụng ắc qui 12 V)
Công suất tiêu thụ 9 A hoặc thấp hơn (tại công suất ra)
Công suất ra 60 W
Trở kháng ngõ ra 4 Ω (BRN), 8 Ω (ORG), chung (WHT)
có thể thay đổi bằng cách thay đổi cách nối dây kết nối
Độ méo Dưới 5% (tại 1,000 Hz công suất ra)
Đáp tuyến tần số 100 – 10,000 Hz
Ngõ vào
  • Mic1, 2: 600 Ω, 4 mV, kiểu giắc 6 ly
  • Aux : 10 kΩ, 500 mV, kiểu giắc 6 ly
Thành phần
  • Mặt trước: nhựa ABS, màu đen
  • Vỏ : Tôn mạ kẽm
Kích thước 178 (R) × 50 (C) × 170 (S) mm (không bao gồm phụ kiện lắp đặt)
Khối lượng 1.2 kg
Phụ kiện đi kèm
  • Micro cầm tay x 1, tai gắn x 1, ốc gắn x 1 bộ,
  • Cầu chì (12 A) x 1, dây kết nối x 1 bộ
Micro đi kèm
  • Kiểu Micro điện động đa hướng với công tắc ấn nói
  • Trở kháng: 600 Ω
  • Độ nhạy : -53 dB (1 kHz, 0 dB = 1 V/Pa)

Xem thêm:

>> Datasheet (tài liệu) của Bộ khuếch đại xe hơi CA-160 

Tài liệu bộ khuếch đại xe hơi CA-160

>> Tham khảo một số Amply dùng cho ôtô khác:

  • Bộ khuếch đại xe hơi CA-130
  • Amply dùng cho ôtô 15W TOA CA-115

Để được tư vấn thêm về thông tin sản phẩm, quý khách vui lòng gọi đến số hotline công ty TNHH Cung Ứng Ngọc Thiên02877798999. Chúng tôi luôn sẵn sàng giải đáp mọi thắc mắc của quý khách về sản phẩm của công ty.

Thương hiệu

Toa

Amply

,

Đánh giá sản phẩm

Đánh giá

Chưa có đánh giá nào.

Hãy là người đầu tiên nhận xét “CA-160 – Bộ khuếch đại xe hơi”