TOA VM-2240 – Bộ khuếch đại
20,207,880₫ (giá đã VAT)
- Bộ khuếch đại có thể lập trình 240 W.
- 5 vùng loa trở kháng cao.
- 9 đơn vị tăng công suất đầu ra.
- 2 đầu vào BGM với điều chỉnh trước mức.
- Mã hàng: TOA VM-2240 / Bảo hành: 24 tháng / Xuất xứ: China
Mô tả
Giới thiệu Bộ khuếch đại VM-2240

- TOA VM-2240 là bộ khuếch đại đa chức năng có thể được gắn trong giá thiết bị EIA-Standard (kích thước 3 chiếc). Thiết bị có 4 đầu vào âm thanh bao gồm đầu vào nhạc nền và phần đầu ra loa có bộ suy giảm bên trong và bộ chọn 5 vùng.
- Thiết bị không chỉ cho phép phát sóng với mục đích chung mà còn cho phép phát sóng khẩn cấp dựa trên Tiêu chuẩn EN60849. Cung cấp các hướng dẫn bằng giọng nói được ghi trước (bắt buộc phải có EV-200M tùy chọn) trong tình huống khẩn cấp.
- Việc phát sóng có thể được thực hiện từ Micrô từ xa RM-200M tùy chọn cũng như từ bộ khuếch đại và có thể được điều khiển từ xa từ thiết bị bên ngoài. Ngoài ra, đối với ứng dụng 100 V, thiết bị có chức năng giám sát (bắt buộc phải có SV-200MA tùy chọn) tự động kiểm tra hệ thống để tìm lỗi.
Thông số kỹ thuật của TOA VM-2240

Nguồn điện | 230 V AC, 50 / 60 Hz |
Đầu ra định mức | Tổng 240 W thành 5 vùng |
Đáp ứng tần số | 50 Hz – 16 kHz |
Độ méo tiếng | < 1 % |
Công suất tiêu thụ | 54 W (không có đầu ra), 549 W (ở đầu ra định mức) |
Mức tiêu thụ hiện tại (giá trị) | 14 A |
Tỷ lệ S / N | 60 dB (hoặc lớn hơn) |
Đầu vào | MIC (-60 dBV) / LINE (-10 dBV), cân bằng x3 Điện thoại (-10 dBV, cân bằng) x1 BGM (-20 dBV, không cân bằng, giắc cắm RCA âm thanh nổi) x2 100V x1 |
Đầu ra | Các dòng loa có bộ suy giảm, có thể lựa chọn x5 Đầu ra loa trực tiếp x1 Dòng (0 dBV, không cân bằng, giắc cắm RCA) x1 Ghi (0 dBV, không cân bằng, giắc cắm RCA) x1 Bộ tiền khuếch đại (0 dBV, không cân bằng, giắc cắm RCA) x1 |
Thành phẩm | Nhựa ABS, thép tấm, sơn màu, màu xám đen |
Kích thước | 419 x 143.3 x 355.7 mm (W x H x D) |
Phụ kiện (bao gồm) | Nhãn tên x1, vỏ VR x4, cầu chì dự phòng, dây nguồn |
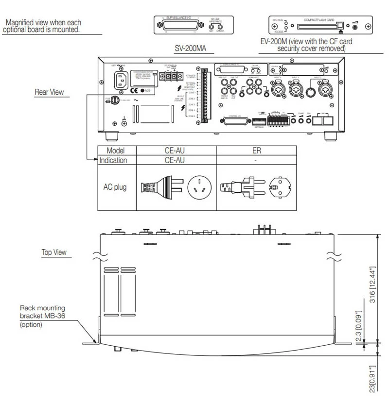
Đặc điểm của TOA VM-2240
|
|
Tính năng nổi bật của VM-2240

- Có thể phát sóng lên đến 480 W đến 10 vùng riêng lẻ hoặc đồng thời. (khi 2 VM-2240 được sử dụng).
- Cho phép giám sát các lỗi đường dây loa riêng lẻ hoặc bộ khuếch đại công suất để chỉ báo trạng thái. (Yêu cầu Bảng giám sát SV-200MA tùy chọn.)
- Sao lại 5 tin nhắn có mục đích chung, 1 tin nhắn chuông và 2 tin nhắn khẩn cấp. (Có thể ghi lại tùy thích bằng Bảng thông báo bằng giọng nói EV-200M tùy chọn).
- Có thể chọn bốn loại chuông khác nhau tích hợp sẵn và âm chuông được ghi âm trước (bằng EV-200M) để thu hút
chú ý đến các chương trình phát sóng. - Pin dự phòng duy trì hoạt động khi mất điện.
- Phát sóng khẩn cấp dựa trên Tiêu chuẩn EN60849 cung cấp các hướng dẫn bằng giọng nói được ghi âm trước trong
trường hợp khẩn cấp. - Phát sóng khẩn cấp bỏ qua cả điều khiển âm lượng bộ khuếch đại và bộ suy hao bên ngoài, đảm bảo
rằng chương trình phát sóng được nghe thấy trong tất cả các khu vực. - Có các mức ưu tiên phát sóng sau đây: mức cao nhất cho các chương trình phát sóng Khẩn cấp và 4 mức cho
chương trình phát sóng có mục đích chung. - Đường dây loa cho các ứng dụng đường dây 100 V (tiêu chuẩn) hoặc cho các ứng dụng đường dây 50 V hoặc 70 V (được kích hoạt bằng cách thay đổi hệ thống dây bên trong của thiết bị).
- Có thể kết nối tối đa 4 micrô từ xa và tổng số cáp kết nối của chúng có thể kéo dài đến 800 m.
(RM-200M / -210) - Các vùng loa có thể được lập trình thành tối đa 5 nhóm để phát nhóm. (Micrô từ xa có thể phát đến Nhóm 1 và 2 trong số 5 nhóm.)
- Thông báo rõ ràng, không bị méo do mạch bên trong máy nén. (RM-200M /-210).
Hướng dẫn nút chức năng TOA VM-2240

1. Công tắc nguồn [POWER] | 9. Phím chọn vùng |
2. Đèn báo nguồn | 10. Kiểm soát âm lượng vùng [ZONE 1 – 5] |
3. Điều khiển âm bổng [TREBLE] | 11. Tên nhãn |
4. Kiểm soát âm trầm [BASS] | 12. Chỉ báo phát sóng toàn vùng |
5. Điều khiển âm lượng đầu vào [INPUT 1 – 3, BGM] | 13. Phím phát sóng toàn vùng [ALL] |
6. Điều khiển âm lượng chính [MASTER] | 14. Chỉ báo khẩn cấp [EMERGENCY] |
7. Đặt lại phím | 15. Chỉ báo lỗi [FAULT] |
8. Chỉ báo vùng | 16. Đồng hồ đo mức |

17. Cổng đầu vào âm thanh [INPUT 1, 2, 3] | 27. Điều khiển âm lượng phân trang điện thoại |
18. Giắc cắm đầu vào nhạc nền [BGM INPUT 1, 2] | 28. Thiết bị đầu cuối kết nối bên ngoài [TEL PAGING, CTRL IN 1, 2, 3, 24 V OUT] |
19. Điều khiển âm lượng đầu vào BGM | 29. Công tắc chức năng [CÀI ĐẶT] |
20. Giắc cắm đầu ra đường truyền [LINE OUT] | 30. Điều khiển đầu nối đầu vào và đầu ra [CONTROL I / O] |
21. Giắc cắm đầu ra ghi âm [REC OUT] | 31. Điều khiển bộ suy giảm, đầu vào loa ngoài, đầu nối đầu ra loa [ĐIỀU KHIỂN ATTENUATOR, ĐẦU VÀO SP BÊN NGOÀI, ĐẦU RA TRỰC TIẾP, VÙNG 1 – 5] |
22. Giắc cắm đầu ra của bộ tiền khuếch đại [PRE OUT] | 32. Đầu vào nguồn 24 V DC |
23. Giắc cắm đầu vào bộ khuếch đại công suất [POWER AMP IN] | 33. Đầu vào AC [Nguồn AC] |
24. Trình kết nối liên kết [LINK] | 34. Giá đỡ cầu chì |
25. Điều khiển âm lượng đầu vào micrô từ xa [RM] | 35. Đầu nối tín hiệu mặt đất |
26. Điều khiển âm lượng chuông [CHIME] |
>>Tài liệu Datasheet tại đây!
Để được tư vấn thêm về thông tin sản phẩm, quý khách vui lòng gọi đến số hotline công ty TNHH Cung Ứng Ngọc Thiên: 02877798999. Công ty TNHH Cung Ứng Ngọc Thiên luôn sẵn sàng giải đáp mọi thắc mắc của quý khách về sản phẩm của công ty.
Thuộc Tính
Thông tin bổ sung
Thông số kỹ thuật của TOA VM-2240 – Bộ khuếch đại
Nguồn điện | 230 V AC, 50 / 60 Hz |
Đầu ra định mức | Tổng 240 W thành 5 vùng |
Đáp ứng tần số | 50 Hz - 16 kHz |
Độ méo tiếng | < 1 % |
Công suất tiêu thụ | 54 W (không có đầu ra), 549 W (ở đầu ra định mức) |
Mức tiêu thụ hiện tại (giá trị) | 14 A |
Tỷ lệ S / N | 60 dB (hoặc lớn hơn) |
Đầu vào | MIC (-60 dBV) / LINE (-10 dBV), cân bằng x3 Điện thoại (-10 dBV, cân bằng) x1 BGM (-20 dBV, không cân bằng, giắc cắm RCA âm thanh nổi) x2 100V x1 |
Đầu ra | Các dòng loa có bộ suy giảm, có thể lựa chọn x5 Đầu ra loa trực tiếp x1 Dòng (0 dBV, không cân bằng, giắc cắm RCA) x1 Ghi (0 dBV, không cân bằng, giắc cắm RCA) x1 Bộ tiền khuếch đại (0 dBV, không cân bằng, giắc cắm RCA) x1 |
Thành phẩm | Nhựa ABS, thép tấm, sơn màu, màu xám đen |
Kích thước | 419 x 143.3 x 355.7 mm (W x H x D) |
Phụ kiện (bao gồm) | Nhãn tên x1, vỏ VR x4, cầu chì dự phòng, dây nguồn |
Additional information
Thương hiệu | |
---|---|
Hệ thống âm thanh | Chọn 5 vùng loa và có khả năng mở rộng |