YA-7000 – Bộ chuyển điện tự động

Liên hệ
Tính năng nổi bật
  • Công suất tiêu thụ 70 mA
  • Nhiệt độ hoạt động 0 ℃ đến +40 ℃
  • Phát hiện lỗi Fault Chỉ định điện đèn chỉ thị của bộ khuếch đại.
  • Khoảng cách giữa các rào cản: 9 mm
  • Trọng lượng 240 g

Giới thiệu Mô-đun chuyển mạch YA-7000

  • YA-7000 là Mô-đun chuyển mạch tự động bộ khuếch đại được thiết kế để lắp đặt trong bộ khuếch đại công suất của Hệ thống di tản bằng giọng nói sê-ri FS-7000.
  • Bằng cách kết nối bộ khuếch đại dự phòng với mô-đun YA-7000 được lắp trong bộ khuếch đại chính, bộ khuếch đại chính có thể được chuyển sang bộ khuếch đại dự phòng khi bộ khuếch đại chính bị lỗi.

[section bg_color=”rgb(210, 247, 243)”]

[ux_image id=”42444″]

[/section]
[gap]

Tính năng thiết bị YA-7000

  • Mạch giới hạn tích hợp giới hạn dòng điện nếu có quá tải điện và mạch bảo vệ phát hiện điện áp và dòng điện ngắt đầu ra nếu có ngắn mạch. Mạch bảo vệ này cũng ngắt đầu ra nếu nhiệt độ bên trong bộ khuếch đại tăng lên đáng kể.
  • Điều khiển âm lượng phía trước giúp điều chỉnh âm lượng đầu ra thuận tiện.
  • Đầu vào điều khiển có thể bỏ qua điều khiển âm lượng gắn trên bảng điều khiển phía trước để cho phép phát thông báo “Khẩn cấp” ở mức âm lượng tối đa bất kể cài đặt âm lượng.
  • Hệ thống làm mát không khí liên tục thay đổi điều chỉnh tốc độ quạt theo nhiệt độ trong bộ tản nhiệt của bộ khuếch đại. Sự thay đổi này đảm bảo rằng tiếng ồn của quạt làm mát được giảm thiểu nhiều nhất có thể trong điều kiện sử dụng bình thường.

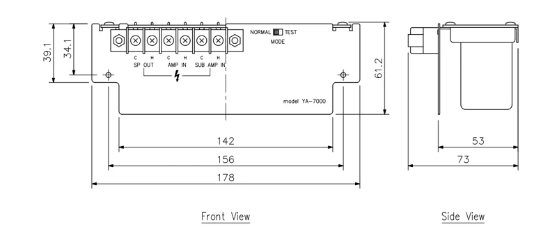
Các nút chức năng thiết bị YA-7000

[ux_image id=”42446″]

  1. Thiết bị đầu cuối đầu ra loa (có nắp đậy)
    Trở kháng cao, đầu ra dòng 100V cho các kết nối loa. Tín hiệu từ Đầu vào của bộ khuếch đại chính  được xuất ra khi bộ khuếch đại chính
  2. Thiết bị đầu cuối đầu vào bộ khuếch đại chính (có nắp đậy)
    Kết nối đầu ra loa của bộ khuếch đại chính với thiết bị đầu cuối này.
  3. Ngõ vào Bộ khuếch đại dự phòng (có nắp đậy)
    Kết nối thiết bị đầu cuối này với đầu ra loa của bộ khuếch đại dự phòng.
  4. Công tắc Bộ chọn Chế độ Hoạt động
    Chọn chế độ hoạt động của YA-7000. Đặt công tắc này ở vị trí Bình thường khi sử dụng chung.

Gắn và kết nối YA-7000

[ux_image id=”42447″]

[ux_image id=”42448″ width=”94″]

[ux_image id=”42449″]

Thông số kỹ thuật YA-7000

thông số kỹ thuật của bộ chuyển đổi module ya-7000
Thông số kỹ thuật của YA-7000
Nguồn điện 24 V DC (được cung cấp từ các bộ khuếch đại điện)
Công suất tiêu thụ 70 mA
Đầu vào
  • Khuếch đại đầu vào chính: Kết nối với đầu ra của bộ khuếch đại chính (100 V line),
    M4 vít thiết bị đầu cuối, khoảng cách giữa các rào cản: 9 mm·
  • Khuếch đại đầu vào: Kết nối đến đầu ra bộ khuếch đại chế độ chờ (100 V line),
    M4 vít thiết bị đầu cuối, khoảng cách giữa các rào cản: 9 mm.
Đầu ra ·         Kết nối với dòng loa (100 V line), M4 vít thiết bị đầu cuối,

·         Khoảng cách giữa các rào cản: 9 mm

Phát hiện lỗi Fault Chỉ định điện đèn chỉ thị của bộ khuếch đại YA-7000
Nhiệt độ hoạt động 0 ℃ đến +40 ℃
Độ ẩm hoạt động Dưới 90% RH (không ngưng tụ)
Kết thúc Panel: Bề mặt xử lý thép tấm, màu đen, sơn
Kích thước 178 (W) × 61,2 (H) × 73 (D) mm
Trọng lượng 240 g

>>Tài liệu Datasheet tại đây!

Để được tư vấn thêm về thông tin sản phẩm, quý khách vui lòng gọi đến số hotline công ty TNHH Cung Ứng Ngọc Thiên02877798999.  Công ty TNHH Cung Ứng Ngọc Thiên luôn sẵn sàng giải đáp mọi thắc mắc của quý khách về sản phẩm của công ty.

Thương hiệu

Toa

Đánh giá sản phẩm

Đánh giá

Chưa có đánh giá nào.

Hãy là người đầu tiên nhận xét “YA-7000 – Bộ chuyển điện tự động”